
jeep gladiator wiring diagram

wiring jeep diagram cj5 1974 gladiator truck oljeep 1963 commando 1968 jeeps build fuse fsj collins tom gw elec trucks

jeep wiring diagram cj5 cj gladiator 1963 yj truck 1971 help 1969 wiper motor willys pickup 1957 trucks

jeep wagoneer wiring gladiator 1971 steering amc 1976 fsj oljeep 1984 diagrams 1969 compliments motor victor rangel yahoo gw
Advertisiment

jeep wrangler wiring jl diagrams diagram rear harness jlwranglerforums gladiator electrical power system

willys jeep 1946 wiring diagram basic coil starter graphic trying engine distributor start ww2 points side while classic cars semi

jeep wiring diagram tail cherokee wrangler grand liberty 2004 schematic harness lights trailer fog 1992 jk 2001 diagrams 1997 tj

wrangler wiring jeep diagram tj 1989 relay fuse engine box fog yj cherokee parts 2002 location 1999 1997 schematic 2000

wiring jeep diagram switch 1980 wire solenoid j20 elec wagoneer cherokee j10 6cyl safety neutral truck wtf 1980s gw oljeep

cherokee wiring jeep diagram grand laredo door 2004 2000 driver power ww2 side ground justanswer needs wire 2009

radio wiring diagram jeep wrangler silverado stereo chevy cherokee 2004 1999 grand honda 2002 2005 2001 2003 civic tahoe chevrolet

jeep wiring wrangler yj cj diagram diagrams parts electrical jeeps want lights fsm stuff basic 1987 schematic jk 1995 simple

wiring diagram jeep cj5 cj7 repair 1971 cj engine amc diagrams 1975 schematic guide 1979 1973 autozone 1972 dash scrambler

wiring 81 fsj ignition power diagram jeep oljeep 1981 temperature wagoneer sender gw oil cherokee elec international temp amc wires

jeep wiring wrangler diagram liberty 2004 2002 schematic 2006 electrical blower tj motor diagrams 2001 fuse box wire start air

jeep wiring cherokee diagram grand fuel switch 1990 wrangler manual pump control trailer ignition cruise 1997 diagrams laredo working doesnt
wiring jeep wrangler diagram tj signal turn 2006 2002 liberty guide stereo wranglertjforum schematic 2004

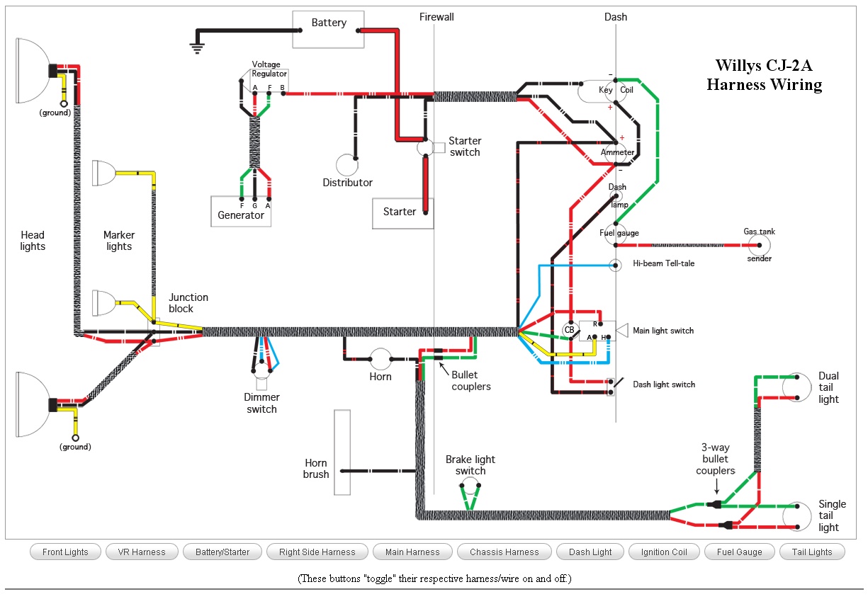
wiring diagram jeep solenoid cj2a alternator willys 12v 1948 electrical switch diagrams conversion forums help re please ignition volt key

battery jeep diagram dual jl wrangler ess wiring cherokee 6l batteries grand alternator jlwranglerforums rubicon setup sport engine connections starter

starter jeep wrangler wiring diagram 2001 start 5l relay starting chrysler jump system clutch radio 2008 1997 solenoid lights power

jeep wiring patriot diagram radio 2008 justanswer ww2 turn ignition database north liberty signal ea

jeep wiring diagram patriot 1978 cj diagrams cj5 2007 cherokee grand switch ac schematic wire heater series schematics fan fresh

wiring diagram plow western tail gmc jeep wrangler snow sonoma 1990 2002 trailer rear pickup chevy schematron needs connection radio

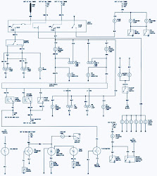
wiring wagoneer cherokee diagrams diagram 1980 truck jeep repair chassis fig autozone 1983 models series commando guide

wiring commando diagram 1971 jeep repair diagrams chassis wagoneer fig guide continued later models 1957

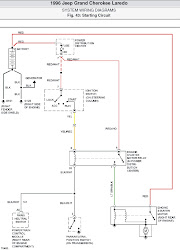
cherokee jeep wiring diagram starter 1992 grand wire help radio install remote harness wrangler 2001 1996 diagrams isuzu stereo door

jeep wiring wiper motor cherokee grand diagram rear 2004 wrangler yj wire jeeps justanswer scratch tj tractors 2009 1998 4x4
rigid led lighting aux switches position reverse possible use jeep gladiator jeepgladiatorforum happen
wiring aux auxiliary switches code wires installation jeep jl wrangler rubicon jlwranglerforums 12v instructions configuration im looking diy jlu sport

jeep wiring diagram cherokee radio wrangler 94 grand stereo fuse 2000 1993 1996 1998 xj 1994 laredo diagrams audio schematic
aux switch jeep auxiliary switches wiring code cable panel jl wrangler gladiator wires battery acc side adding locations identification instrument

cherokee jeep diagram grand wiring 1998 pcm 1996 electrical 1995 radio schematic 98 1999 manual ignition repair 0l starter rec
radio jeep wiring diagram stereo cherokee 2001 grand dodge diagrams wj harness wire chrysler wrangler 1999 factory ram infinity installation

cherokee jeep diagram grand 2004 wiring 1994 radio ram dodge 1500 trailer blinkers wire engine problems power were blowing fuse

wiring diagram jeep cj2a cj3a pickup diagrams cj schematics switch turn signal ignition 3b parts willy tech dj3a starter electrical

wiring cj7 jeep diagram 1979 starter wire cj5 tail electrical 1977 engage trouble having getting 200r4 engine engineering trane heat

jeep wiring diagram 2005 start liberty remote starter ignition switch justanswer stereo wrangler relay wire 2006 bypass ww2 put everything

m38 wiring willys diagram switch ignition cj3b harness wes alternator system diagrams horn start conversion jeeps temp interest few illustrations
wiring jeep diagram cherokee ignition liberty switch wire 2007 harness 1989 grand ground 2005 question kj radio obvious doesn

jeep cherokee wiring diagram grand 2006 radio engine 1998 wrangler schematic 2008 electrical 1997 commander 2007 97 wire 2000 location

jeep evap diagram system tank liberty 2003 fuel cherokee gas grand parts lines cell vapor wrangler tj wiring leak located
jeep diagram wrangler vacuum wiring yj 1990 1987 1989 1991 engine cherokee cj3a grand voyager cj7 plymouth 1986 system line
wiring lights jk multiple relay spod rigid circuit jeep wrangler options lighting dual using diode already since would

wiring jeep wrangler diagram jk radio cherokee wire yj speaker stereo harness 2000 grand diagrams 2008 trailer chart bazooka tj

jeep wiring wrangler diagram schematic yj 1993 jk diagrams 2007 2000 hoist cherokee engine trailer fuse acco horn fresh 1987

wiring wrangler jeep yj starter relay 1987 repair diagram ignition autozone 1995 coil diagrams 95 guide replacement start help engine

wiring cj diagram ignition electrical jeep cj2a 2a harness schematics forums thecj2apage volt ewillys horn willys cj5 willy dj5 installation

wiring ford reverse lights aux switch electrical jeep cherokee diagram backup basic manual guide schematic help road need trailer lunghd

jeep wiring wrangler diagram grote radio tail turn 1990 signal jk headlight 1999 yj tj starter valid start ignition 5l
jeep wiring diagram wrangler tj starter 1997 fuse ignition relay yj subwoofer 2002 wire motor swap sahara i1 box engine

wiring tail diagram jeep wrangler 2002 ford lights roadmaster rm kit bar tow f150 led 2004 bulbs 1989 socket bulb

diagram wiring cj7 record jeep player drawing patent arm google tone harness arms players toned cj patents vinyl deals

wiring diagram jeep ford harness trailer wwii willys g503 diagrams early switch 1943 mb gpw pull australia push main 1942

wiring jeep diagram cj5 schematic electrical cj ignition cj7 mahindra engine scorpio willys harness starter 1960 schematics solenoid 1974 patriot

jeep wiring ignition diagram wrangler cherokee module control grand 1995 comanche icm coil 1985 cj fuel spark pump 1990 1988

jeep wiring wrangler 1988 yj manual 1987 electrical diagrams schematics service diagram repair manuals parts cherokee 1990 accessories

wiring switch diagram key ignition position spark run indak cj2a starter thecj2apage distributor ford forums relay current

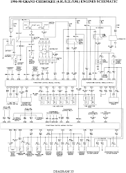
wiring jeep diagram cj5 cj7 79 fsj 1981 engine 1979 cherokee wagoneer 1968 diagrams 1980 fuel system gauge oljeep hood


























![Diagrama eléctrico JEEP PATRIOT LIMITED 2008 [ Wiring Diagram]](https://i0.wp.com/diagramaselectricos.net/wp-content/uploads/2020/01/JEEP-PATRIOT-LIMITED-2008.jpg?h=250)








